Ningbo Richge Technology Co., Ltd.
Ningbo Richge Technology Co., Ltd.
Ürünler
Zn12-12 Serisi Entegre Sütun Anahtarı Vakum Devre Kesici
  • Zn12-12 Serisi Entegre Sütun Anahtarı Vakum Devre KesiciZn12-12 Serisi Entegre Sütun Anahtarı Vakum Devre Kesici
  • Zn12-12 Serisi Entegre Sütun Anahtarı Vakum Devre KesiciZn12-12 Serisi Entegre Sütun Anahtarı Vakum Devre Kesici

Zn12-12 Serisi Entegre Sütun Anahtarı Vakum Devre Kesici

Model:ZN12-12
ZN12-12 Serisi İç Mekan AC HV Vakum Devre Kesici, Alman şirketinden teknolojiyi tanıtan 12kV olarak derecelendirilmiş üç AC 50Hz aşamasının iç mekan ekipmanıdır. Her türlü yük ve sık operasyona sahip alan için uygundur ve endüstriyel ve madencilik, işletme, enerji santrali ve trafo merkezi elektrik tesislerinin korunması ve kontrolü için kullanılabilir. Bu ürün GB1984, JB3855, DL403 ve IEC standartlarının ilgili gereksinimine uygundur.

Zn12-12 Serisi Entegre Sütun Anahtarı Vakum Devre Kesici

  Zn12-12 İç mekan yüksek voltajlı vakum devre kesici nominal voltaj 12kV ve aşağıdaki kapalı yüksek voltaj şalteri, esas olarak sabit şalterine, elektrik tesislerinin korunması ve kontrolü için sabit şalterine monte edilmiş ve yerlerin kesilmesi için uygundur!

  Zn12 Serisi vakum devre kesiciler, 12kv, 24kv ve 40.5kv ve üç fazlı AC 50Hz nominal voltajları olan kapalı yüksek voltajlı şalt cihazıdır. Alman Siemens 3AF teknolojisini tanıtarak geliştirilen bir yerli üründür. Devre kesicinin çalışma mekanizması, AC veya DC veya manuel olarak çalıştırılabilen bir yay enerjisi depolama türüdür. Devre kesici basit yapıya, güçlü kırılma kapasitesine, uzun servis ömrüne ve tam çalışma işlevlerine sahiptir. Ve patlama tehlikesi yoktur ve bakım basittir. Elektrik santralleri, trafo merkezleri ve endüstriyel ve madencilik işletmeleri gibi güç iletim ve dağıtım sistemlerinin kontrol veya koruma anahtarı için, özellikle önemli yükleri ve sık operasyon yerlerini kırmak için uygundur. Anahtar kabinindeki devre kesicinin kurulum formu sabit bir tip veya para çekme türü devre kesici olabilir.


Avantajları:

1. Devre Kesici, 96 Ağustos'ta Makine Bakanlığı ve Elektrikli Güç Bakanlığı değerlendirmesini geçti, bu da kalitenin kesinlikle garanti edildiği anlamına geliyor.

Devre kesici mekanizması anahtarla entegre edilir ve özel yay enerjisi depolama tipi aktüatör mekanizması AC ve DC enerji depolama ile çalıştırılabilir veya manuel olarak çalıştırılabilir.

Basit yapı, güçlü kırılma kapasitesi, uzun servis ömrü, tam çalışma işlevleri, patlama tehlikesi ve kolay bakım yoktur, bu devre kesici elektrik şanzımanı ve dağıtım sisteminin kontrol veya koruma anahtarı için uygundur, santral, şehir güç şebekesi, trafo merkezi vb.


Özellikler:

1. Arc söndürme odasının kırılma kapasitesi yüksek, mevcut taşıma kapasitesi düşük ve elektrik ömrü uzun.

2. Düzen önden arkaya, basit ve kompakt yapı, tam çalışma ve kolay bakımdır.

3. Yapı ve kurulum için, bunlar aşağıdakilere ayrılabilir: yatay sabit tip, eğimli sabit tip, orta set hareketli tip.






Temel Bilgi.



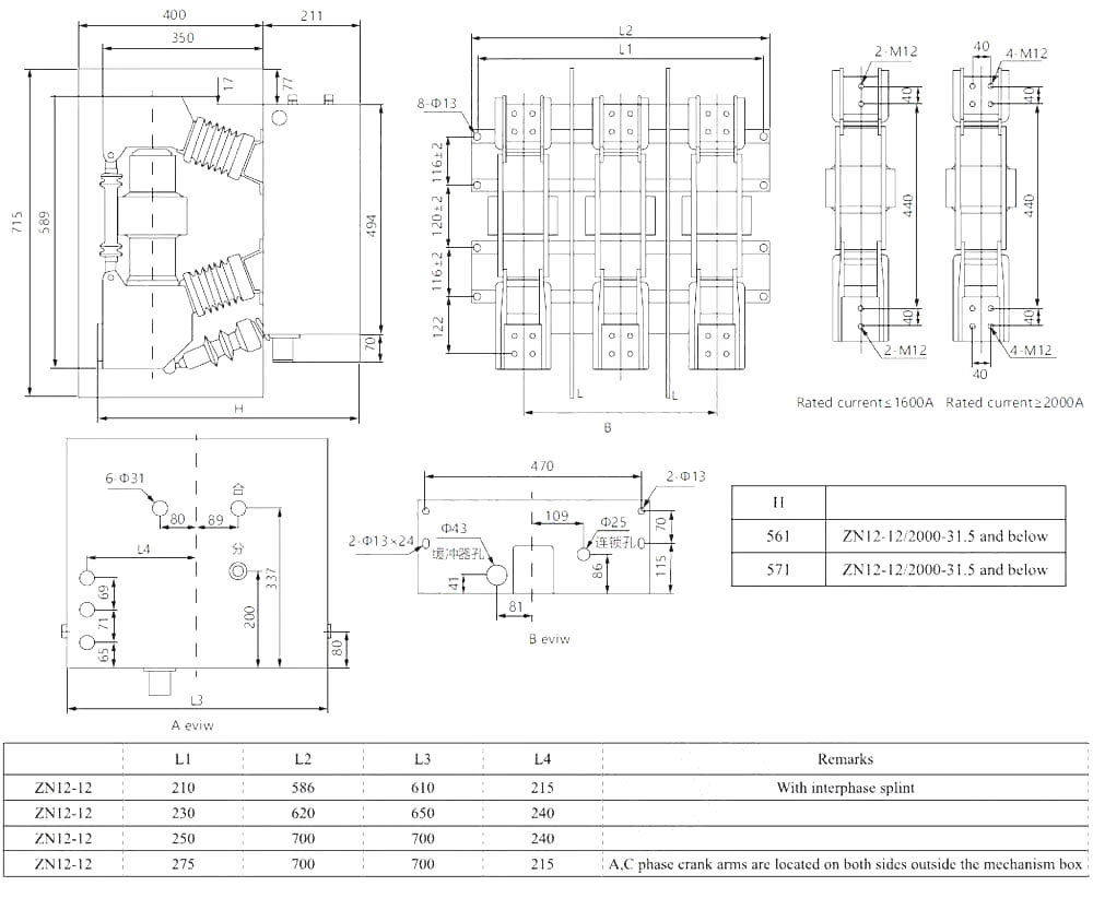
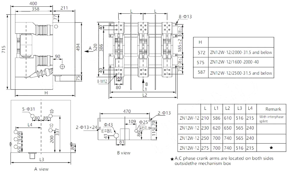
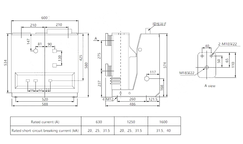
Teknik parametreler



Teknik çizimler


Zn12-12 entegre sütun anahtarı vakum devre kesici kullanım koşulları. Yükseklik: ≤1000 m; (Prototip yüksekliği 4000 metrenin altına ulaşabilir)

2. Ortam sıcaklığı: en yüksek +40 ° C, en düşük -25 ° C;

3. bağıl nem: günlük ortalama%95'ten fazla değil, aylık ortalama%90'dan fazla değil;

4. Deprem yoğunluğu: 8'den az;

5. Kurulum ortamı: Yangın yok, patlama tehlikesi, aşındırıcı gaz yok ve şiddetli titreşim yeri yok.

6. Kullanım ortamı yukarıdakileri aşıyorsa lütfen vakum devre kesici üreticisine başvurun.




SSS

S: Ürünlerinizin fiyatları olabilir mi?

A: Hoş geldiniz. Lütfen bize buraya soruşturma göndermekten çekinmeyin. Size 24 saat içinde cevap vereceğiz.


S: Toplu siparişten önce bir örnek alabilir miyim?

C: Evet, kaliteyi test etmek ve kontrol etmek için örnek siparişini memnuniyetle karşılıyoruz.


S: Logo/ şirket adımızı ürünlere yazdırabilir miyiz?

C: Evet, elbette, OEM'i kabul ediyoruz, sonra bize marka yetkisi vermenize ihtiyacımız var


S: Ürün özelleştirmesini kabul ediyor musunuz?

C: Evet, elbette, lütfen belirli çizimler veya parametreler sağlayın, değerlendirmeden sonra size teklif vereceğiz


S: Kurşun zamanı nedir?

C: Kurşun süresi, genellikle ödemeyi aldıktan sonra 7-20 gün içinde sipariş edilen miktarlara bağlıdır.


S: Ticaret şartlarınız nedir?

C: EXW, FOB, CIF, FCA vb. Kabul ediyoruz.


S: Ödeme yönteminiz nedir?  

C: T/T, Western Union, PayPal, Gözlükte Tersine edilemez L/C'yi kabul ediyoruz.


S: Bitmiş ürünleri inceliyor musunuz?

C: Evet, üretim ve bitmiş ürünlerin her adımı, nakliye öncesi QC departmanı tarafından denetleme yapılacaktır. Ve sevkiyattan önce referansınız için mal denetim raporları sunacağız


S: Satış sonrası kalite sorunları nasıl çözülür?

C: Kalite sorunlarının fotoğraflarını çekin ve kontrol ve onaylama için bize gönderin, 3 gün içinde sizin için memnun bir çözüm yaratacağız.




Fabrika


Sertifika




Sıcak Etiketler: ZN12-12 Serisi Entegre Sütun Anahtarı Vakum Devre Kesici, Çin, Üretici, Tedarikçi, Fabrika, Düşük Fiyat, Kalite, Son Satış, Gelişmiş
Talep Gönder
İletişim bilgileri
Alçak gerilim şalt cihazları, yüksek gerilim izolatörleri, yüksek gerilim topraklama ayırıcıları veya fiyat listesi ile ilgili sorularınız için lütfen bize e-posta adresinizi bırakın, 24 saat içinde sizinle iletişime geçeceğiz.
X
We use cookies to offer you a better browsing experience, analyze site traffic and personalize content. By using this site, you agree to our use of cookies. Privacy Policy
Reject Accept